數控加工中心孔加工實例教學
本文的主要加工對象為升降臺先創的支承套零件,通過這次的加工為大家詳細講解一下采用數控加工中心進行加工的整個流程是怎樣的。
如圖1所示為升降臺銑床的支承套,在兩個相互垂直的方向上有多個孔要加工,在加工中心上加工,只需一次安裝即可完成。零件材料45為鋼,中批生產,分析其加工工藝。

一、零件圖的工藝分析
該零件主要由平面、平面輪廓、曲面、孔和螺紋等組成。由題可知,只需要加工孔,且在兩個垂直方向上有孔要加工,但孔?35H7的加工要求比較高,零件的上表面、右表面。 ?35H7的內表面表面粗糙度要求比較高,Ra=1.6um。其余為2.5um,?35H7對A的位置為?0.08、?60的底面對B面的圓跳動為0.025,零件為右端面對A面圓跳動0.025,?15H7對C面的平行度為0.05。
二、確定零件的定位基準和裝夾方式
根據零件的外輪廓以及要加工的孔,選擇V形塊和一個板,以及右端面為定位,具體裝夾方式如圖2所示,家具是自己設計的,其中2壓在零件中間,不妨礙加工?35H7孔。

三、確定加工順序及進給路線
(1)所有的孔都在實體上加工,為了防止鉆偏,需要用中心鉆所有要加工的孔,為了保證?35H7、?35H7孔的精度的精度等級,根據尺寸要求,選擇絞削為最終加工,對于?60的孔,根據尺寸要求,孔深的要求,孔底面要求,選擇銑削來加工完成。
(2)加工方案如下:
?35H7的孔 鉆中心孔→鉆孔→粗糙→半精鏜→絞孔
?35H7的孔 鉆中心孔→鉆孔→擴孔→絞孔
?60的孔 粗銑→精銑
?11的孔 鉆中心孔→鉆孔
?17的孔 鉋孔(在?11底孔上)
M6-6H的螺紋孔 鉆中心孔→鉆底孔→孔端倒角→攻螺紋
(3)要加工兩個垂直的面,所以要分為兩個工位,由于?35H7孔的要加工余量大,容易使工件變形,因此要先加工?35H7這個面的孔,為了達到要求的加工精度,應該先粗加工所有的孔,最后再精加工,這樣可以減少工件的變形。
因此加工順序為:
第一工位:鉆?35H7、2×?11、2×M6-6H的中心孔→鉆中心孔→鉆?35H7的孔→鉆2×?11的孔→鉋2×?17的孔→鉆2×M6-6H的孔→孔端倒角→粗鏜?35H7的孔→粗銑?60×12的孔→半精銑?60×12的孔→精銑?60×12的孔→半精鏜?35H7的孔→攻2×M6-6H的螺紋孔。
第二工位:鉆2×?15H7的中心孔→鉆2×?15H7的底孔→擴2×?15H7的孔→絞2×?15H7的孔。
(4)加工中心加工孔時,首先將刀具在XY平面內迅速、準確的運動到孔中心線位置,然后再沿Z向運動進行加工。
因此,孔加工路線因該包括以下內容
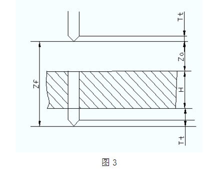
①Z向(軸向)的加工路線為縮短道具的空行程時間,Z向的加工分快進和工進。刀具在開始加工前,要快速運動到距待加工表面一定距離的R平面上然后才能以工作進給切削加工,如圖3所示為加工單孔時道具的加工路線。


加工通孔時,工作進給距離Zf=Za+H+Tt,如圖4
②鉆螺紋孔底尺寸及鉆孔深度的確定
因為M6-6H的孔需要加工出底孔,然后攻螺紋,如圖4所示,鉆螺紋底孔時一般螺紋底孔尺寸為 d=M-Ph
d---螺紋底孔直徑,單位mm
M---螺紋的公稱直徑,單位mm
Ph--螺紋孔導程,單位mm
③鉆孔深度的確定
因為2×M6-6H孔為不通孔,鉆孔深度按下式計算,即
H1=H2+L1+L2
H---螺紋底孔編程的實際鉆孔深度(含鉆頭118°鉆尖高度),單位mm H2—絲錐攻螺紋的有效深度,單位為mm
L1—絲錐的倒錐長度,絲錐倒錐一般有3個導程長度,因此L1=3×Ph,單位為mm。
L2--確保足夠容屑空間而增加鉆孔深度的余量,一般為2~3mm。
L3—鉆頭的鉆尖高度,一般鉆頭的頂角為118°,為便于計算,鉆頭頂角長近似按120°計算,根據三角函數即可算出鉆尖的高度。
H1—鉆孔的有效深度,單位為mm.

四、數控加工中心刀具的選擇
刀具的規格主要根據加工尺寸選擇,選擇加工孔的刀具與孔的直徑有關,將選定的刀具參數填入數控加工刀具卡片(1-1),以便編程和操作管理

五、切削用量的選擇
該零件材料切削性能較好,孔鉆后需要繼續加工的,留0.5mm精加工余量,孔加工精鏜余量六0.2mm。精絞余量0.1mm
選擇主軸轉速與進給速度,先查切削用量手冊,確定切削速度與每齒進給量,然后根據Vc=πdn/1000,Vf=nzfz計算主軸轉速與進給速度,鉆孔時,?5的進給量f=0.18mm,Vc=2b,則n=1000Vc/πd=1656,Vf=nf=298,?11的進給量f=0.28mm,Vc=30,其他具體見表1-2.
六、擬定數控加工中心加工工序卡片
為更好地指導編程和加工操作,把該零件的加工順序,所用刀具和切削用量等參數編入表1-2升降臺銑床的支承軸套領獎加工工序卡片中。

中山市依速力機械有限公司專業生產CNC加工中心、雕銑機、火花機等數控機床,廠家直銷熱線:13560673059,晏先生。
同類文章排行
- 四軸加工中心可用于哪種類型的工件加工
- 高速VMC850加工中心哪個品牌好
- 模具加工中心什么牌子的好
- 凱恩帝加工中心
- 比較耐用的加工中心選取建議
- 加工模具使用什么加工中心好
- 加工中心能加工生鐵嗎
- 加工中心三軸變四軸
- CNC加工中心多少錢一臺,影響因素有哪些
- 四軸加工中心多少錢一臺,最新四軸加工中心報價
最新資訊文章
您的瀏覽歷史









